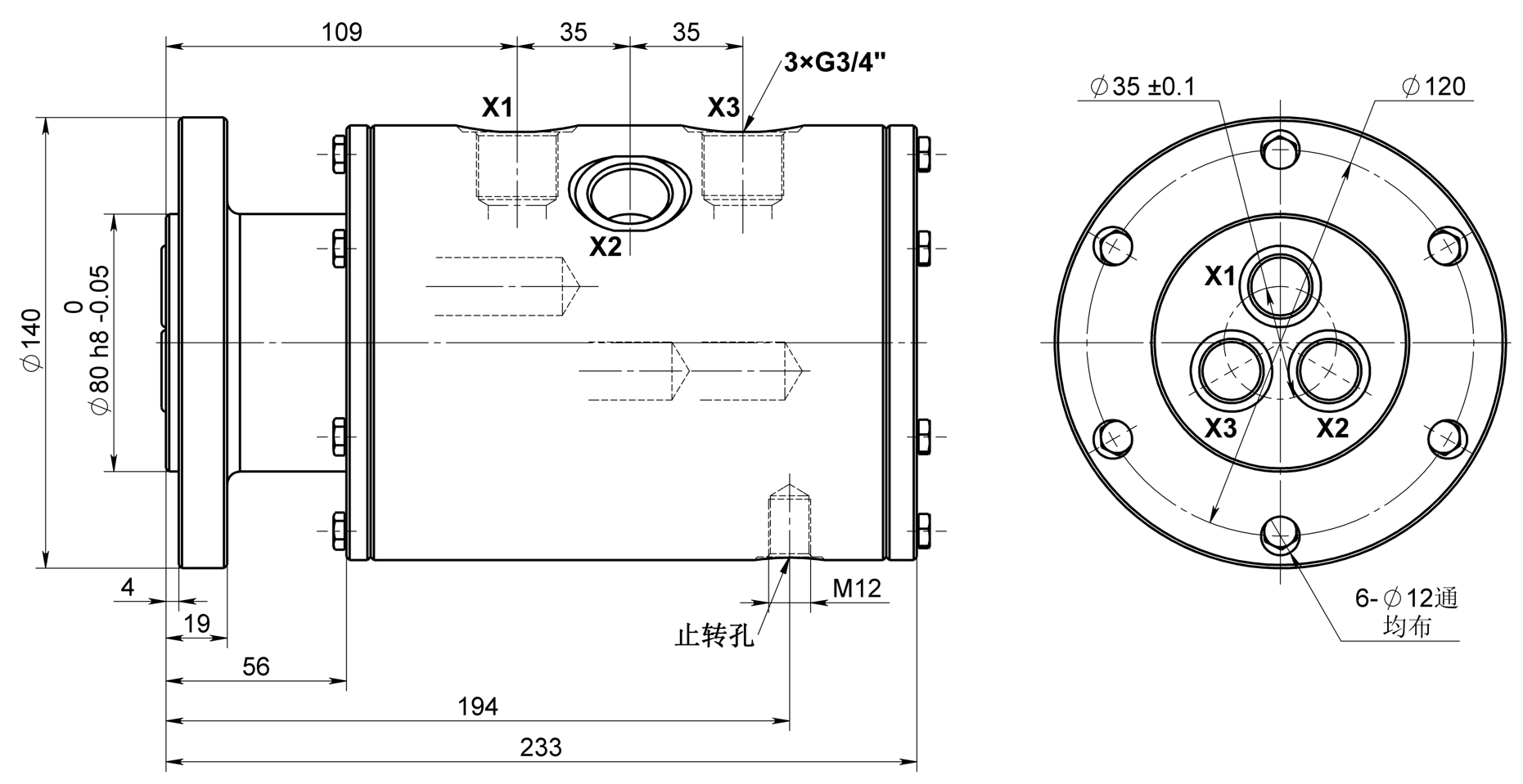
介 质:液压油
产品亮点:
灵活配置:支持单通道至六通道设计,适配不同设备需求;
稳定连接:内置专属通道,保障电缆与电滑环的稳定对接;
低耗耐用:非接触式密封+泄漏量可控技术,摩擦阻力小;不锈钢转子经防锈硬化处理,磨损率极低,显著减少停机维护成本。
替代能力——打破进口壁垒,降本增效更可靠
精准替代DEUBLIN、GAT等品牌液压滑环,性能匹配更适配国内工况;
同步提供专业维修服务,从整体替换到部件修复全覆盖,大幅降低采购与运维成本,保障设备持续稳定运行。

海鲲传动专注于生产定制旋转接头,多通路旋转接头,液压旋转接头等,每一款产品出厂前都经过严格的压力、寿命、工况模拟测试。已成为众多行业领先企业信赖的合作伙伴,我们不仅提供标准产品,更致力于与您共同开发应对未来挑战的创新解决方案。
联系我们的技术销售团队,获取免费选型咨询与样品测试。