Position:HOME > INDUSTRY
INDUSTRY
Wind power industry Semiconductor industry Ships and ports Agricultural machinery industry Machine tool industry Paper industry Production testing equipment
Product Search
Sure

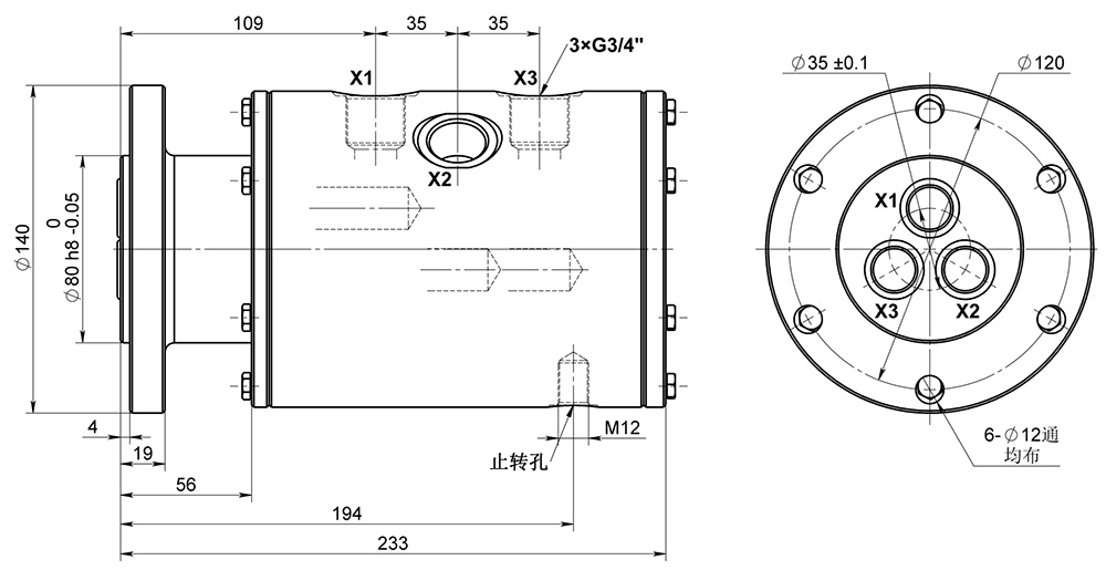
HY-Q type rotary connector
HY-Q型旋转连接器

Technical parameters:技术参数:
Maximum speed:150RPM最大速度:150RPM
Maximum pressure:30MPa
Maximum temperature:70℃
最高温度:70℃

Medium: hydraulic oilMedium: 液压油

 

Outline dimension drawing
外形尺寸图